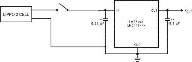
Komponen yang diperlukan :
- IC 7805 or 7806
- Capasitor 330 N (0,33 uf)
- Capasitor 100 N (0,1 uf)
Berikut Skema Rangkaiannya dan beberapa foto rangkaian yg sudah saya pakai di Armada :



Semoga Dapat Bermanfaat...
Moderator: widodo






@ Om Dom's..Mr. Dom's wrote:wah... mantap juga nih... mesti belajar elektronik dulu biar nggak kesetrum hehehe... tapi kayaknya nggampang ya...
keluarannya jadi berapa volt bang?? 5 V atau 6 V?
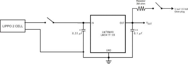
trus ada ide nggak buat bikin glow plug dari batre 2 sel??


Sudah di coba terbang?atari7up wrote:Kebetulan ada batt Lippo yang salah satu cell nya rusak...pikir2 dari pada jadi sampah...bagusan jadiin batt Rx aja...cukup ditambahkan rangkaian yang sederhana dan mumer...bermodal Rp.5000,- batt Lippo 2 cell sudah dapat dipakai utk Rx...
Komponen yang diperlukan :
- IC 7805 or 7806
- Capasitor 330 N (0,33 uf)
- Capasitor 100 N (0,1 uf)
Berikut Skema Rangkaiannya dan beberapa foto rangkaian yg sudah saya pakai di Armada :
Semoga Dapat Bermanfaat...


Iya betul dikasih kapasitor nonpolaratari7up wrote:@ Om Dedy,
Test terbang blon Om...cuman Test hidup di bawah udah...hampir setengah jam servo di mainkan semua.....aman2 aja...di pegang Ic nya Still COOL aja Om...btw yg pernah Om bikin dengan 1 IC7805 apa di ikut sertakan dengan 2 capasitor pada input ama output spt rangkaian di atas?
Sebagai masukan : Ic 7805 yg beredar ada beberapa kelas om...maklum sekarang kebanyakan sparepart banyak buatan RRC...dimana ada sebagian produsen utk mengejar harga murah kwalitas di nomor corotkan....hehehehehe

dedy_r450 wrote:Iya betul dikasih kapasitor nonpolaratari7up wrote:@ Om Dedy,
Test terbang blon Om...cuman Test hidup di bawah udah...hampir setengah jam servo di mainkan semua.....aman2 aja...di pegang Ic nya Still COOL aja Om...btw yg pernah Om bikin dengan 1 IC7805 apa di ikut sertakan dengan 2 capasitor pada input ama output spt rangkaian di atas?
Sebagai masukan : Ic 7805 yg beredar ada beberapa kelas om...maklum sekarang kebanyakan sparepart banyak buatan RRC...dimana ada sebagian produsen utk mengejar harga murah kwalitas di nomor corotkan....hehehehehe
Atau mungkin juga soal kwalitas yg bang atari sampaikan tadi...

